Shenzhen Optico Communication Co., Ltd. is one of the most credible manufacturers and suppliers of 1x2 pm mechanical optical switch in China. Please feel free to wholesale high quality customized products at competitive price form our factory. If you have any enquiry about free sample, please feel free to email us.
Product Profile
- This 1x2 PM Mechanical Optical Switch is specifically designed for polarization-sensitive optical systems, compatible with mainstream communication bands of 1310nm and 1550nm, and offers excellent wide wavelength adaptability. The Optical Switch employs a precision mechanical drive structure, enabling bidirectional optical path switching while maintaining stable optical signal polarization throughout the switching process.
-
The 1x2 PM Mechanical Optical Switch features a glue-free optical path design, offering advantages such as low loss, high isolation, and low crosstalk. Furthermore, it boasts excellent environmental adaptability and an ultra-long lifespan, and supports optional electrically controlled switching and power-off locking configurations. With its stable and reliable operation, this Optical Switch can be widely used in coherent communication, fiber optic sensing, line monitoring, precision optical detection, and optical network redundancy protection.
Product Specifications
| Parameter | Value | |
| Type | 1×1,1×2 | |
| Wavelength (nm) | 1310 or 1550 | 1310/1550 |
| Insertion Loss (dB) | ≤0.8(Typ 0.6) | ≤1.0(Typ 0.8) |
| Cross Talk (dB) | ≥55 | ≥55 |
| Return Loss (dB) | ≥55 | ≥55 |
| Extinction Ratio (dB) | ≥20 | |
| Repeatability (dB) | ≤±0.05 | |
| Switch Time (ms) | 10 | |
| Lifetime (cycle) | >1,000,000 | |
| Switch mode | Latching or Non-latching | |
| Storage Temperature (℃) | -40~+85 | |
| Drive Voltage (V) | 5±0.5 DC or 5V Pulse | |
| Work Current (mA) | <50 | |
| Fiber Type | See order information | |
| Dimension(LxMxH)(mm) | 27×12.6×8.5 | |
| Remark: | ||
|
||
|
||
|
||
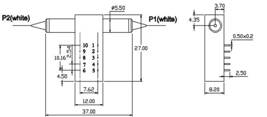
PM optical switch package diagram
Port Configuration
Adopts a standard 1×2 structure, with P1 as the common port and P2 as the switching channel port, supporting bidirectional optical path selection.
Electrical Interface
Equipped with dual-row
10-pin standard headers
(2.54mm pitch), compatible with conventional PCB driver circuits, supporting electronic switching and customized latching/non-latching modes.

Mounting Design
Features Ø5.5mm standard mounting holes, supporting direct mounting to the panel or chassis, suitable for automated assembly and mass deployment.
Mechanical Dimensions
The main body dimensions are approximately 27×12×8.2mm, with a total length of 37mm including the pigtail. The compact structure is suitable for 1U/2U rackmounts and high-density module integration.
Product Features
Adopts high-precision mechanical optical path alignment to strictly maintain the polarization direction of the input light during switching. With a typical extinction ratio ≥20dB, it perfectly fits polarization-sensitive systems such as coherent communication, fiber optic gyroscopes, quantum communication,
and precision sensing, preventing signal distortion and performance degradation.
Features epoxy-free and low-reflection optical path design, with typical insertion loss ≤0.5dB and channel isolation ≥55dB. It minimizes crosstalk to ensure high-quality signal transmission and reduce overall link attenuation.
The core optical path is epoxy-free, offering excellent resistance to temperature variation, vibration, and shock. With a wide operating temperature range and over 1 million switching cycles lifetime, it ensures stable long-term operation and
meets the strict reliability requirements of industrial
and telecom-grade equipment.
Compatible with both 1310nm and 1550nm PM bands, the most common wavelengths for telecom and metro networks. It adapts to long-haul transmission, metro access, and test & measurement scenarios, enhancing equipment versatility
and reducing inventory costs.
Supports single-mode/PM fiber customization, various drive voltages, and both latching/non-latching,
fast-switching/low-power versions.
Pigtails can be customized with FC/LC/SC/APC/PC connectors to meet different cabling and testing needs.
Compact package with standard pinout enables seamless integration into optical modules, test instruments, optical network equipment, and automated test platforms, ideal for high-density rack and automated production line installation.
working Principle
The 1x2 PM Mechanical Optical Switch controls its internal mechanical structure via electrical control signals,
rapidly switching between two states to achieve bidirectional selection of one input signal between two channels,
while maintaining the polarization state of the optical signal stably throughout the process,
providing a reliable optical path scheduling solution for polarization-sensitive systems.
Stage A
Common port P1 is connected to channel port P2, while P3 is disconnected. Optical signals input from P1 are directly transmitted to P2, completing optical path selection.

Stage B
Common port P1 is connected to channel port P3, while P2 is disconnected. Optical signals input from P1 are switched to P3, achieving channel switching.

product Applications
Electrical Drive
| Type | Optical Path |
Electrical Drive | Status Sensor | ||||||
| Pin1 | Pin5 | Pin5 | Pin10 | Pin2-3 | Pin3-4 | Pin7-8 | Pin8-9 | ||
| N-latching | 1-2 | - | - | - | - | close | open | open | close |
| 1-3 | V+ | - | - | GND | open | close | close | open | |
| latching | 1-2 | - | - | GND | V+ | close | open | open | close |
| 1-3 | V+ | GND | - | - | open | close | close | open | |
Ordering Information
|
PMO SW |
Type | Wavelength | Mode | Pigtail Type | Fiber Type | Length | Connector |
|
1x1 1x2 |
85=850nm 13=1310nm 1315=1310/1550 |
L=Latching N=Non-Latching |
250=250um bare fiber 900=900um loose tube
|
1=SMF-28e 2=50/125 3=62.5/125 |
1=1m | NE=None FA=FC/APC FC=FC/UPC SA=SC/APC |
Hot Tags: 1x2 pm mechanical optical switch, China, manufacturers, suppliers, factory, wholesale, customized, 1060nm Broadband High Power PM Isolator, 1064nm Polarization Insensitive Isolator, 1064nm Polarization Maintaining FBT Coupler, 1064nm Polarization Maintaining Isolator, 1310nm 1550nm Polarization Maintaining Filter Coupler, High ER Polarization Maintaining Filter Coupler


